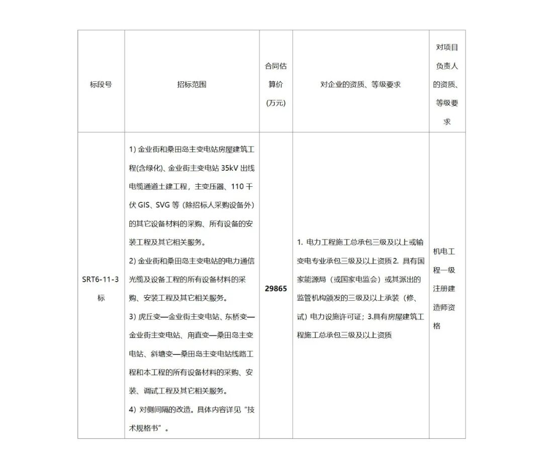
苏州市轨道交通6号线工程主变电站施工安装总承包项目招标公告(资格预审)1.苏州市轨道交通集团有限公司的苏州市轨道交通6号线工程主变电站施工安装总承包项目已经江苏省发展和改革委员会(项目审批、核准或备案机关名称)以《省发展改革委关于苏州市城市轨道交通6号线工程可行性研究报告的批复》(苏发改基础发[2018]1167号)(批文名称及编号)批准建设。工程所需资金来源是财政及融资现已落实。招标人为苏州市轨道交通集团有限公司,项目已具备招标条件,现进行公开招标。本项目招标资格审查采用资格预审方法,现邀请有兴趣的潜在投标人(以下简称投标人)参与本项目投标。2.江苏省招标中心有限公司受招标人委托具体负责本项目的招标事宜。(1)工程地点:苏州市;招标类型:货物招标;所属地区:姑苏区(2)工程规模:6号线线路全长36.12km;工程性质:市政工程(3)计划开、竣工时间:2021年4月30日至2024年6月28日(5)本项目共分1个标段,标段划分及相应招标内容如下:
