年
月
日 星期
|
网站首页
全部
新闻资讯
新闻
专题
都市轨道
招标
中标
资料
企业库
专家库
综合服务
视频
高峰论坛
会展
招聘
标准政策
协会
政策
首页
>>
新闻资讯
>>
专题
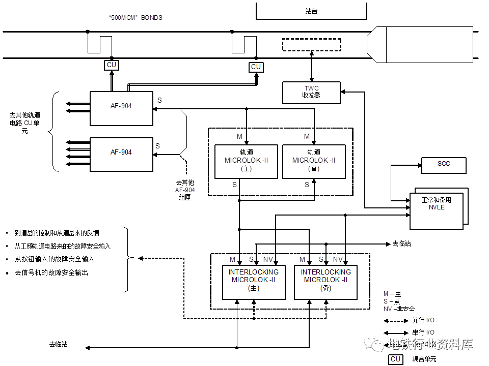
轨道交通自动驾驶系统ATO架构及原理概述
2020-05-26
来源:本站
浏览次数:92
本文摘要:
轨道交通自动驾驶系统ATO架构及原理概述
上一篇:
城市轨道交通信号系统基础知识
下一篇:
全面了解!城市轨道交通中的单轨
专题
2025(第五届)中国绿智城轨高···
8月•宁波!第三届中国智慧城轨发···
时速600公里!5个线路方案曝光···
中国仅7城地铁盈利?北京上海均靠···
地铁百科 | 地铁和轻轨的区别
中铁、铁建、中交中标轨道交通大工···
近期轨道交通行业人事变动一览
中国各城市有轨电车运营线路及客流···
全国铁路动车组运行线路图(202···
城轨前沿!北京智慧地铁发展白皮书
城市群一体化快速发展,新型轨道交···
13亿投资打水漂,珠海有轨电车处···
“深”谋远虑,静待开启——“20···
海南十四五轨道交通,纲要全文发布
地铁列车空调是如何清洁维护的
高峰论坛
2026(第六届)绿智城轨高质量发展大会邀请函!与您相约 中国·嘉兴
2025(第五届)中国绿智城轨高质量发展大会!与您相约 中国·绍兴
2024(第三届)城轨供电系统技术创新与智能运维发展大会!与您相约 中···
合作企业
友情链接